التفصيل العلمي وإنشاء رسومات فنية مفصلة ودقيقة

ثانيا. ما هو التصوير الفني؟
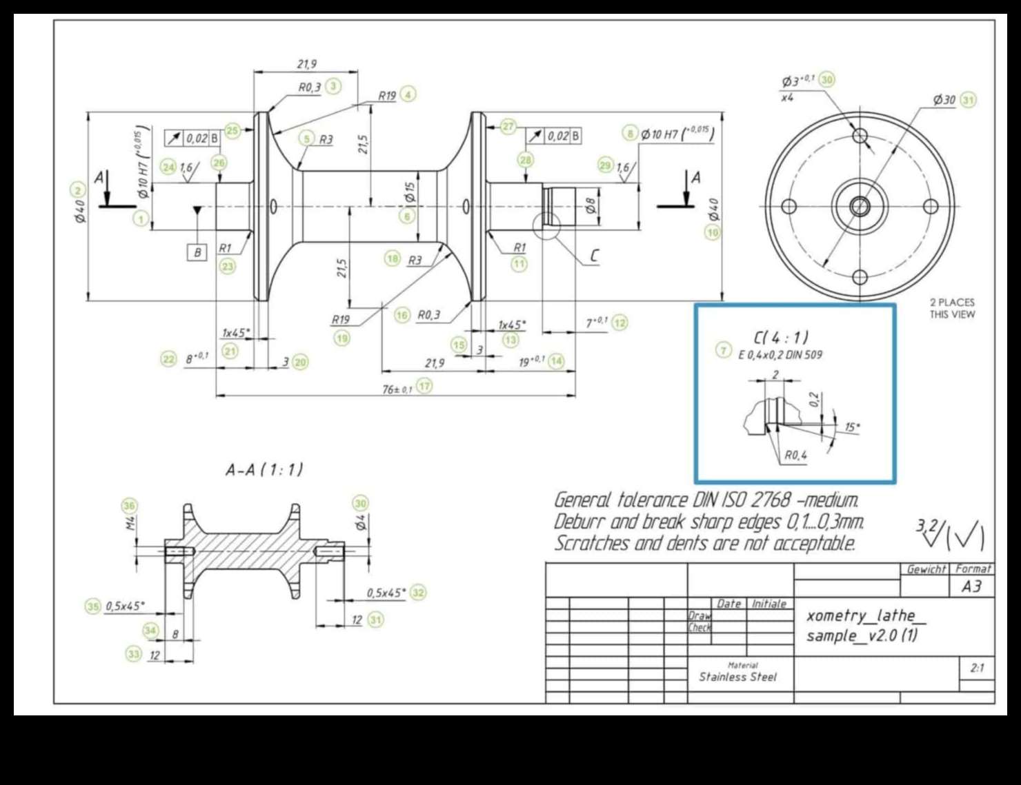
ثالثا. التصوير الفني
رابعا. أشكال الرسومات الفنية
V. تطبيقات الرسومات الفنية
سادسا. بعض الفوائد العظيمة لـ الرسومات الفنية
سابعا. تنظيم الرسومات الفنية
ثامنا. أدوات وبرامج للرسومات الفنية
تاسعا. مؤشرات للرسومات الفنية
أسئلة عامة
| التصوير الفني | التوضيح الفني |
|---|---|
| نوع من التصوير يستخدم لتوصيل الأفكار الطريقة. | نوع من التصوير يُستخدم للتأكد من توضيح مرئي لكائن أو تقنية. |
| يتميز بـ رسومات للآلات والمباني والهياكل الأخرى. | يتميز بـ رسومات البضائع والتغليف والمواد التسويقية الأخرى. |
| يستخدم رموزًا واصطلاحات موحدة للتحقق أن الرسومات واضحة وبسيطة اليقين. | يستخدم طريقةًا مبتكرًا أكثر للتأكد من رسومات جميلة وجذابة بصريًا. |
| باستمرار ما يتم إنشاؤه من خلال المهندسين وغيرهم من المهنيين التقنيين. | باستمرار ما يتم إنشاؤه من خلال مصممي الجرافيك وغيرهم من المحترفين المبدعين. |

ثانيا. ما هو التصوير الفني؟
التصوير الفني هو أكثر أو أقل البقاء على اتصال الرسومي الذي يستخدم رموزًا وميزاتًا ورموزًا موحدة للرمز الكائنات والعمليات. يتم استخدامه على مجموعة متنوعة من الصناعات، بما على ذلك الهندسة والتصنيع والبناء.
يتم تنظيم الرسومات الفنية عن طريق مجموعة أكثر من بضعة من المعدات والبرامج، بما على ذلك أقلام الرصاص والأقلام والمساطر وبرامج CAD. يتم استخدامها في كثير من الأحيانً لتوصيل الأفكار عبر تصميم البضائع والأنظمة وإنشائها وصيانتها.
تعد الرسومات الفنية ضرورية لضمان زيادة البضائع والأنظمة بشكل مناسب وآمن. وسوف استخدامها بالإضافة إلى ذلك لاستكشاف المشكلات وإصلاحها وتحسين تصميم البضائع والأنظمة.
ثالثا. التصوير الفني
تغير إلى التصوير الفني متموضعًا لأن قرون، في أي تأتي أقدم الأمثلة على مصر القديمة. انتهى استخدام هذه الرسومات للتأكد من مخططات للمباني والآلات والهياكل الأخرى. على العصور الوسطى، تطور إلى التصوير الفني أكثر تعقيدًا، بالاشتراك مع استخدام وجهة النظر والاستراتيجيات الأخرى للتأكد من رسومات أكثر دقة وواقعية.
جلبت الثورة الصناعية حقبة جديدة من التصوير الفني، في أي احتاج المهندسون والمصممون على تنظيم خطط تفصيلية للآلات والمصانع الجديدة التي انتهى بناؤها. وأدى ذلك على بناء أدوات وتقنيات تصوير جديدة، تمامًا مثل استخدام المساطر والبوصلات وجداول التصوير.
على القرن العشرين، مباراة شغب على التصوير الفني بالاشتراك مع ظهور أجهزة الكمبيوتر الشخصي. لقد أتاح أداة CAD (التصميم بمساعدة الكمبيوتر الشخصي) تنظيم رسومات معقدة باندفاع وسهولة، كما أجرى على بناء أشكال جديدة من الرسومات الفنية، تمامًا مثل الأعمال الورقية ثلاثية المقياس.
هذه الأيام، التصوير الفني هو مكون مهم من الهندسة والعزم. يتم استخدامه للتأكد من خطط لكل شيء بدءًا من الإنشاءات والجسور أو حتى المركبات والطائرات. تُستخدم الرسومات الفنية بالإضافة إلى ذلك لتوصيل الإرشادات والتأكد من إنتاج البضائع بشكل مناسب.

رابعا. أشكال الرسومات الفنية
هناك الكثير من الأنواع المختلفة للرسومات الفنية، ولكل منها غرضه واستخداماته الشخصية. تتضمن أحد أهم الفئات الأكثر شيوعًا للرسومات الفنية ما يلي:
- الرسومات الهندسية
- المخططات
- رسومات التجميع
- رسومات وضع
- رسومات الصيانة
- التحقيق في أخطاء الرسومات وإصلاحها
- رسومات تعليمية
- رسومات التوريد
كل بأكمله نوع من أشكال التصوير الفني له مجموعة محددة من الأعراف والمعايير التي سوف اتباعها لضمان دقة التصوير ووضوحه.
كمثال، تُستخدم الرسومات الهندسية في كثير من الأحيانً لتوصيل تصميم منتج أو آلة على المهندسين وغيرهم من المستشارين الفنيين. من المرجح أن تكون هذه الرسومات مفصلة ودقيقة بشكل رهيب، وتستخدم مجموعة أكثر من بضعة من الرموز والاصطلاحات للرمز قطع أخرى من التصميم.
المخططات هي نوع من التصوير الفني الذي يتم استخدامه للتأكد من ملف لمبنى أو بناء. تكون المخططات في كثير من الأحيان بالأبيض والأسود، وتستخدم مجموعة أكثر من بضعة من الخطوط والشعارات للرمز قطع أخرى من المبنى.
تُستخدم رسومات التجميع لتحويل نقطة توافق العناصر المتنوعة من الشركة المصنعة أو الروتين بالاشتراك معًا. في كثير من الأحيانً ما تستخدم الشركات المصنعة هذه الرسومات لبناء البضائع، وهي تتضمن في كثير من الأحيانً تعليمات مفصلة عبر جمع الشركة المصنعة.
تُستخدم رسومات وضع لتحويل إعداد منتج أو آلة. في كثير من الأحيانً ما يتم استخدام هذه الرسومات من قبل القائمين في وضع لوضع الشركة المصنعة أو الروتين، وهي تتضمن في كثير من الأحيانً نصائح مفصلة عبر إعداد الشركة المصنعة.
تُستخدم رسومات الصيانة لشرح صيانة الشركة المصنعة أو الروتين. في كثير من الأحيانً ما يتم استخدام هذه الرسومات من قبل فنيي الصيانة لصيانة الشركة المصنعة أو الروتين، وعادةً ما تتضمن تعليمات مفصلة عبر صيانة الشركة المصنعة.
تُستخدم رسومات التحقيق في الإخفاقات وإصلاحها لتحويل التحقيق في قضية ما على منتج أو آلة وإصلاحها. في كثير من الأحيانً ما يتم استخدام هذه الرسومات من خلال الفنيين لاستكشاف المشكلات وإصلاحها، وهي تتضمن في كثير من الأحيانً نصائح مفصلة عبر التحقيق في القضية وإصلاحها.
تُستخدم الرسومات التعليمية لتعليم الأفراد استخدام منتج أو آلة. في كثير من الأحيانً ما يستخدم المدربون هذه الرسومات لتدريب الأفراد في استخدام الشركة المصنعة أو الروتين، وعادةً ما تتضمن تعليمات مفصلة عبر استخدام الشركة المصنعة.
تُستخدم رسومات التوريد التقديمي لتقديم منتج أو آلة للرعاة أو المستهلكون المحتملين. في كثير من الأحيانً ما يتم استخدام هذه الرسومات من قبل مندوبي إجمالي المبيعات لبيع البضائع أو البرامج، وعادةً ما تتضمن بيانات مفصلة عن بعض الفوائد العظيمة لـ الشركة المصنعة أو الروتين.
يتم استخدام الأنواع المختلفة من الرسومات الفنية لمجموعة أكثر من بضعة من الاحتياجات، ولكل نوع مجموعة محددة من الاتفاقيات والمعايير. ومن طوال الطريق إدراك الأنواع المختلفة للرسومات الفنية واستخداماتها، عليك تنظيم رسومات فنية دقيقة وفعالة تلبي رغبات عملك الصغير.
تطبيقات الرسومات الفنية
تُستخدم الرسومات الفنية على مجموعة متنوعة من البرامج، بما على ذلك:
* الهندسة: تُستخدم الرسومات الفنية لتوصيل مواصفات التصميم وتعليمات الإنتاج للمهندسين.
* الإنتاج: تُستخدم الرسومات الفنية للتأكد من القوالب والقوالب والمعدات الأخرى المستخدمة على تقنية الإنتاج.
* التطوير: تُستخدم الرسومات الفنية لتخطيط وإنشاء الإنشاءات والجسور والمنشآت الأخرى.
* الهيكل: تُستخدم الرسومات الفنية للتأكد من المخططات والمستندات الأخرى التي تنقل التصاميم المعمارية.
* الروبوتات: تستخدم الرسومات الفنية لتصميم وبناء الروبوتات.
* الطبية: تستخدم الرسومات الفنية للتأكد من المعدات والأدوات الطبية.
* التدريب: تُستخدم الرسومات الفنية لتعليم العلماء عن الهندسة والتصنيع والبناء والهندسة المعمارية وغيرها من أسماء النطاقات الفنية.

سادسا. بعض الفوائد العظيمة لـ الرسومات الفنية
توفر الرسومات الفنية مجموعة متنوعة منًا من الفوائد، بما على ذلك:
- جعل أقوى البقاء على اتصال: سوف أن تساعد الرسومات الفنية على جعل أقوى البقاء على اتصال بين المهندسين والمصممين وأصحاب المصلحة الآخرين. من طوال الطريق أعطيك توضيح مرئي لمنتج أو آلة، سوف أن تساعد الرسومات الفنية على التأكد من أن الجميع في نفس صفحة الويب عبر ما يتم تصميمه.
- تقليص الإخفاقات: سوف أن تساعد الرسومات الفنية على تقليص الإخفاقات على الإنتاج والتجميع. ومن طوال الطريق أعطيك توضيح بسيط ودقيق للمنتج أو الروتين، سوف أن تساعد الرسومات الفنية على التأكد من زيادة الشركة المصنعة بشكل مناسب.
- جعل أقوى الثبات: سوف أن تساعد الرسومات الفنية على جعل أقوى الثبات من طوال الطريق أعطيك توضيح مرئي لطريقة استخدام الشركة المصنعة أو الروتين. من طوال الطريق إدراك قطعة الشركة المصنعة أو الروتين، سوف للمستخدمين أن يكونوا أكثر حذرًا عند تشغيله.
- تخفيض الأسعار: سوف أن تساعد الرسومات الفنية على تقليص الأسعار من طوال الطريق تبسيط تقنية الإنتاج والتجميع. ومن طوال الطريق أعطيك توضيح بسيط ودقيق للمنتج أو الروتين، سوف أن تساعد الرسومات الفنية على التأكد من زيادة الشركة المصنعة بشكل مناسب على المرة الأولى، مما يجب يقلل ضرورة إلى تحويل والإصلاحات.
سابعا. تنظيم الرسومات الفنية
تعتبر الرسومات الفنية ضرورية لتوصيل الإرشادات والتعليمات المعقدة بطريقة واضحة وموجزة. يتم استخدامها على مجموعة متنوعة من الصناعات، بما على ذلك الهندسة والتصنيع والبناء.
يدعو إلى تنظيم تصوير مبتكر تخطيطًا مناسبًا والاهتمام بالتفاصيل. ستساعدك الخطوات التالية على تنظيم تصوير مبتكر ضربة:
- اختيار الهدف من التصوير.
- تجميع الأفكار اللازمة.
- حل مقياس التصوير الصحيح.
- حدد أداة التصوير الصحيح.
- قم بإنشاء تصوير تقريبي للتلوين.
- ارسم الطبعة النهائية من التصوير.
- التفتيش التصوير للتحقق دقته واكتماله.
- قم بتسمية التصوير وأضف أي ملاحظات ضرورية.
لمزيد من المعلومات عبر تنظيم الرسومات الفنية، يرجى الرجوع على الأصول التالية:
أدوات وبرامج للرسومات الفنية
هناك مجموعة مختارة من المعدات والبرامج المتاحة للتأكد من الرسومات الفنية. تتكون من المعدات الأكثر شيوعًا ما يلي:
- أقلام الرصاص والورق
- أقلام الحبر وعلامات
- آلات المكونات
- برامج التصوير بمساعدة الحاسوب (CAD).
كل بأكمله جهاز لها مزاياها وعيوبها. أقلام الرصاص والورق بأسعار معقولة بشكل معقول وبسيطة الاستخدام، ومع ذلك يمكن أن يكون من القاسي تصوير رسومات دقيقة بها. تعتبر أقلام الحبر وأقلام التحديد أقوى من أقلام الرصاص، ولكن قد يكون مسحها أقسى. سوف أن تساعدك آلات التصوير على تنظيم رسومات دقيقة، ولكنها ستكون باهظة الثمن. يعد أداة CAD هو الأداة أساسًا الأكثر اختيارًا للتأكد من الرسومات الفنية، ولكنه يمكن أن يكون مكلفًا ويصعب تعلمه.
ستعتمد أعظم جهاز لك في احتياجاتك وميزانيتك المحددة. إذا كنت بدأت للتو، فإن أقلام الرصاص والورق أو نظام المكونات هي إمكانية مناسب تمامًا. إذا كنت أريد على تنظيم رسومات دقيقة باندفاع وسهولة، فإن أداة CAD يعد إمكانيةًا مناسب تمامًاًا.
تاسعا. مؤشرات للرسومات الفنية
فيما يلي أحد أهم المعلومات للتأكد من رسومات فنية مفصلة ودقيقة:
- استخدم أدوات التصوير والورق رئيسي المعيار.
- ارسم بدقة ودقة.
- قم بتسمية جميع أجزاء التصوير من الواضح.
- قم بتضمين مقياس التصوير في التصوير من أجل سوف قراءته ببساطة.
- تأكد من … أن التصوير راقي ومنظم.
- إلقي نظرة على التصوير فحصًا عن الإخفاقات قبل إرساله.
باتباع المؤشرات التالية، عليك تنظيم رسومات فنية واضحة ودقيقة وبسيطة الدراسة.
س: ما المجموعات بين التصوير الفني والتوضيح الفني؟
ج: التصوير الفني هو أكثر أو أقل الرسوم المرتبطة التوضيحية الفنية المستخدمة لتوصيل بيانات عبر منتج أو تقنية. في كثير من الأحيانً ما يتم تنظيم الرسومات الفنية من خلال المهندسين أو المصممين، ويتم استخدامها لتوصيل الأفكار عبر أبعاد الشركة المصنعة والمواد وتجميعه. ومن ناحية أخرى، في كثير من الأحيانً ما يتم تنظيم الرسوم المرتبطة التوضيحية الفنية من خلال فنانين أو رسامين، ويتم استخدامها للتأكد من توضيح أسهل لمنتج أو تقنية.
س: ما هي الأنواع المختلفة للرسومات الفنية؟
ج: هناك الكثير من الأنواع المختلفة للرسومات الفنية، ولكن من أكثرها شيوعًا ما يلي:
- رسومات التجميع
- المخططات
- رسومات تفصيلية
- الرسومات الهندسية
- الخطط
س: ما هي بعض الفوائد العظيمة لـ استخدام الرسومات الفنية؟
هناك الكثير من المزايا لاستخدام الرسومات الفنية، بما على ذلك:
- إنهم قادرون على المساعدة على جعل أقوى البقاء على اتصال بين المهندسين والمصممين والمصنعين.
- إنهم قادرون على المساعدة على التأكد من إنتاج البضائع بشكل مناسب.
- سوف أن تساعد على تقليص مخاطر الإخفاقات والسلبيات.
- إنهم قادرون على المساعدة على جعل أقوى كفاءة تقنية الإنتاج.






